ag贵宾会
首页
品牌
产品
新闻
案例
服务
人才招聘
联系ag贵宾会
商城
EN
|
菜单
ag贵宾会首页
搜索
您当前所在的位置:
首页
·
产品
·
流利条
输送设备
滚筒
网带
柔性链
链板
机加工附件
配件
脚蹄
福来轮
ag贵宾会球
流利条
倍速链
分享与关注:
袖珍流利条
可根据客户产品类型及要求进行设计订制,如果您需要更详细的
流利条
产品信息,解决方案和报价,请联系在线客服,我们会为您提供热情的服务。
产品特点
流利条主要是输送、仓储系统的配套产品,可用作滑轨、护拦、导向装置、滚动装置。流利条具有滚动灵活、成本低等特性。
当输送物较重时,可并排安装多道流利条以分担每根流利条的承重,并可在流利条下方安装支撑梁以加大流利条的强度。
规格表
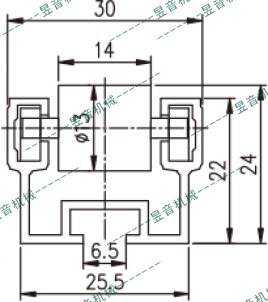
滚轮支架材质:铝型材 W30*H22
流利条总高: 24mm
滚轮节距:P=15、30(66pcs/m、33pcs/m)
滚轮直径:D=
Φ
13*H14mm
单滚轮承载:4kg
每米流利条载重:40kg
滚轮轴心:碳钢镀锌
文件下载
(注:文件类型为PDF格式)
标准规格图表
相关资讯
相关案例
2024-05-17
关于如何提高不锈钢滚筒的运行效率
2024-05-16
传动滚筒输送机的控制巡检装置分析
2024-05-15
碳钢滚筒输送机的组装顺序介绍
2024-05-14
解读机加工滚筒输送机各部件的故障
2024-05-13
动力辊筒输送机的控制保护措施
2024-05-11
动力滚筒输送机的巡检装置分析
2024-05-10
不锈钢滚筒输送机控制系统的需求
2024-05-09
碳钢滚筒输送机轴承保养措施
2024-05-08
分析机加工滚筒输送机控制系统作用
2024-05-07
滚筒输送机双驱动滚筒装置浅析
2021-12-29
专机拣选
2021-12-29
移栽式
2021-12-29
下漏式
2021-12-29
推盘式
2021-12-29
扫臂式
2021-12-29
偏转轮式
2021-12-29
落带式分拣机器人
2021-12-29
交叉分拣
2021-12-29
滑靴式
2021-12-29
工业机械手拣选
返回列表
首页
产品中心
品牌
联系ag贵宾会
sitemap
、
网站地图