ag贵宾会
首页
品牌
产品
新闻
案例
服务
人才招聘
联系ag贵宾会
商城
EN
|
菜单
ag贵宾会首页
搜索
您当前所在的位置:
首页
·
产品
·
网带
·
节距50.8mm
输送设备
滚筒
网带
柔性链
链板
机加工附件
配件
脚蹄
福来轮
ag贵宾会球
流利条
倍速链
分享与关注:
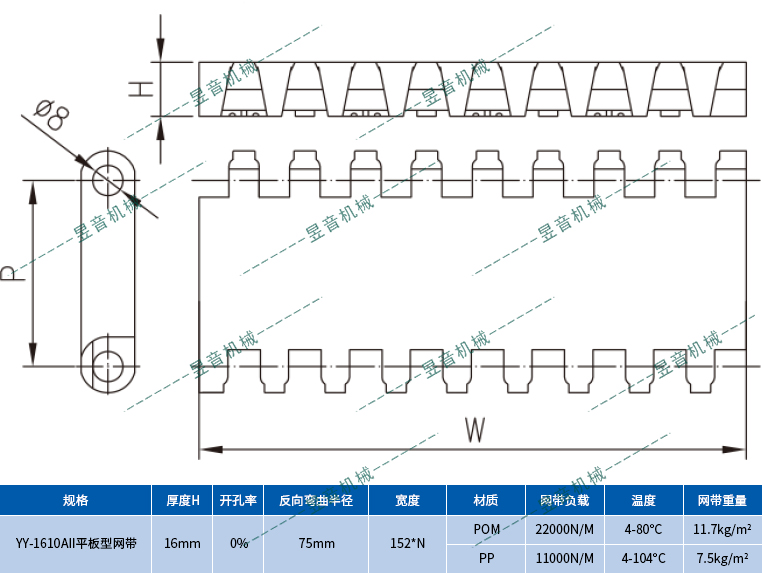
1610AII平板型网带(反面两条筋型)
可根据客户产品类型及要求进行设计订制,如果您需要更详细的
网带/不锈钢网带/输送网带/食品网带
产品信息,解决方案和报价,请联系在线客服,我们会为您提供热情的服务。
网带
是一种采用静摩擦的方法,以摩擦驱动以连续方式运输物料的机械。应用它,可以将物料在一定的输送线上,从最初的供料点到最终的卸料点间形成一种物料的输送流程。它既可以进行碎散物料的输送,也可以进行成件物品的输送。除进行纯粹的物料输送外,还可以与各工业企业生产流程中的工艺过程的要求相配合,形成有节奏的流水作业运输线。不同环境的使用的网带材质也有所不同,比如碳钢、镀锌铁丝,弹簧钢等。应用工作环境的不同决定了材质的选择。ag贵宾会生产的网带主要种类有:食品网带,塑料网带,不锈钢网带,高温网带,金属网带,乙型网带,人字型网带,平格型网带,平版型网带,突肋型网带,防滑网带,开孔网带及配套链轮。网带表面平整,透孔均匀,标准链条传动,走行平稳,绝无跑偏现象,载重能力与抗拉ag贵宾会,易清洗,易维护等优点。
产品特点
网带分类
按叫法:不锈钢网带、不锈钢输送带、不锈钢金属输送带、不锈钢金属网带、不锈钢金属传送带、不锈钢传动带、不锈钢金属传动网带、金属螺旋网带、金属转弯网带。
按行业:食品加工机械、玻璃制品、输送机械等全自动设备上的输送带
按材质:A3低碳钢网带、1cr13网带、201网带、304网带、ICY18N19Ti 网带、2520网带、316网带等。
按形状:人字形网带、乙字形网带、菱形网带、马蹄式网带(ag贵宾会网带)、链条式输送带、眼镜形网带、链板式网带、球型网带、链钩型金属输送带、冲片型金属输送带等。
网带材质
食品网带/塑料网带的主要材质有:聚甲醛网带(POM塑料网带),聚丙烯网带(PP塑料网带),聚乙烯网带(PE塑料网带)。
这些食品网带/塑料网带的承受温度分别为:
聚甲醛网带(POM塑料网带)承受温度:4~80℃
聚丙烯网带(PP塑料网带)承受温度:5~105℃
聚乙烯网带(PE塑料网带)承受温度:-46~35℃
>碳钢、镀锌铁丝,弹簧钢丝、耐腐蚀耐高温不锈钢材料(304,310,310S,314,316,316L,430等)A3低碳钢、45#钢、1Cr13耐热钢、 201不锈钢、304不锈钢、1Cr18Ni9Ti不锈钢、0Cr18Ni14NO2CU2耐热耐酸钢、玻璃纤维等。
规格表
文件下载
(注:文件类型为PDF格式)
标准规格图表
相关资讯
相关案例
2024-04-28
碳钢滚筒输送机控制装置设计环节分析
2024-04-26
重力式辊筒输送机设计中若干问题的探讨
2024-04-25
托辊加工工艺及质量控制
2024-04-24
常见托辊的种类及性能优点介绍
2024-04-23
输送机托辊常见故障原因分析
2024-04-22
滚筒总体质量及发货、验收要求
2024-04-19
滚筒输送机轴承使用注意事项
2024-04-18
传动滚筒的组成结构及工作原理
2024-04-17
皮带输送机滚筒的加工工艺
2024-04-16
滚筒输送机润滑注意事项
2021-12-29
专机拣选
2021-12-29
移栽式
2021-12-29
下漏式
2021-12-29
推盘式
2021-12-29
扫臂式
2021-12-29
偏转轮式
2021-12-29
落带式分拣机器人
2021-12-29
交叉分拣
2021-12-29
滑靴式
2021-12-29
工业机械手拣选
返回列表
首页
产品中心
品牌
联系ag贵宾会
sitemap
、
网站地图